ВАЗ 2170 | Обогрев заднего стекла и зеркал заднего вида — общая информация, проверка исправности функционирования, восстановительный ремонт
Обогрев заднего стекла и зеркал заднего вида — общая информация, проверка исправности функционирования, восстановительный ремонт
Общая информация|
Обогрев наружных зеркал заднего вида включается одновременно с обогревом заднего стекла автомобиля. |
Рабочий элемент обогревателя заднего стекла представляет собой горизонтальную решетку из токопроводящих нитей, наклеенных на внутреннюю поверхность стекла.
Проверка
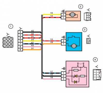
Схема расположения клемм в контактном разъеме выключателя обогрева заднего стекла/зеркал заднего вида
Проверка исправности функционирования реле обогрева заднего стекла/зеркал заднего вида
Проверьте исправность функционирования выключателя обогрева, для чего, аккуратно поддев, высвободите его из панели приборов. Отсоедините от выключателя электропроводку и проверьте правильность распределения проводимости между клеммами контактного разъема выключателя в обоих его положениях (см. таблицу).
|
Положение выключателя |
Клеммы, между которыми должна иметь место проводимость |
| Выкл (OFF) | 1 и 4; 2 и 3 |
| Вкл (ON) | 1 и 4; 2 и 3; 6, 7 и 8 |
|
Клеммы 1-4 и 2-3 служат для организации подсветки, ввиду чего проводимость между ними имеет место постоянно. |
|
||||||||||
Восстановительный ремонт
|
||||||||
automn.ru
Электрическая схема Лады Приора в деталях
На Приоре электрическая схема отличается от привычного электрооснащения Автоваза. Давайте остановимся на ней подробнее. Схема «Приора» электрическая имеет однопроводную схему электрооборудования. Отрицательные выводы у потребителей и источников питания подключаются к «массе». Кузов автомобиля несет в себе функцию второго провода.

Электрическая схема на Приору имеет четыре основных жгута: жгут панели приборов, жгут управления двигателем, передний и задний жгуты. Все они соединятся между собой с помощью штекерных разъемов, которые находятся под приборной панелью с левой стороны возле предохранителей.
Задний жгут, и жгут приборной панели соединяются с блоком управления с помощью штекера. Кроме вышеописанных жгутов могут также быть применены и другие жгуты. Они подключают дополнительное оборудование. Ниже подробнее изложена схема электрическая.
Системы кондиционирования

Одним из потребителей является отапливающее устройство. Оно является частью системы климатического контроля. С данной системой работает контроллер управления. Работа автоматическая. Водитель лишь только выставляет определенные параметры.
На автомобилях электрическая схема ВАЗ Приора может содержать системы кондиционирования воздуха. После нажатия на кнопку срабатывает реле, включается компрессор, подается питание на электромагнитную муфту, включается насос. Турбокомпрессор кондиционера начинает вращение, создавая давление, и по системе начинает регулировать хладагент.
Габаритные огни

Например, схема электрическая Лада Приора универсал имеет функцию как автоматического, так и ручного включения габаритных огней. Само включение происходит после поворота ручки габаритных огней и фар на приборной панели. Срабатывает контакт, включаются огни.
В схеме стоят предохранители, которые служат для защиты от перенапряжений и замыканий. Питание подается на лампу, расположенную на приборной панели. Для регулировки яркости огней применяется специальный регулятор, расположенный на модуле управления освещением.
Фары

Схема фар Приоры отличается от иных автомобилей. Схема электрическая ВАЗ Приора содержит датчик освещения, а также блок управления освещением. После включения зажигания и кнопки управления освещением срабатывает электронный блок, отвечающий за управление освещением.
Если освещенности не достаточно на улице, то на блок поступает сигнал от датчика, который расположен на лобовом стекле. Там же находится и датчик дождя. После получения подобного сигнала электронный блок управления подает питание на катушку электромагнитного реле. Подается питание на фары.
Стеклоподъемники

Что касается стеклоподъемников, то схема электрическая на Приору отличается от других моделей. Управление производится с помощью контроллера. Поднятие и опускание стекол производится с помощью кратковременного нажатия на кнопку.
В автомобилях Лада Приора хэтчбек схема электрическая имеет особенность подачи питания непосредственно к электроприводу стеклоподъемников. По проводу подается питание к управлению зеркалами, подогреву, а также к соленоиду, предназначенному для блокировки дверей. Управление осуществляет контроллер.
Стеклоочистители

Что касается стеклоочистителей Лады Приора, схема электрическая в данном случае имеет специальный программируемый блок управления. В схеме стоят предохранители для защиты от перенапряжений и замыканий.
Включают стеклоочистители переключателем, расположенным возле руля. Переключатель имеет восемь положений, четыре из которых применяются для управления очистителем. Одно положение на переключателе включает устройство для мытья стекла, два других положения отвечают за задний стеклоочиститель. Еще одно положение отвечает за отключенное состояние стеклоочистителя.
priorapro.ru
Установка зеркал от Приоры на ВАЗ 2110
Хорошая замена штатным зеркалам заднего вида ВАЗ 2110 — зеркала от Приоры. Одним выстрелом можно убить много зайцев (избавится от плохого обзора и дребезга, установить электрорегулировку и обогрев зеркал, а также просто сменить внешний вид зеркал).Про интерьер Приоры в десятку уже писалось, пришла очередь и для экстерьера 🙂
Речь пойдет про установку зеркал Приоры в ВАЗ 2110.
- Плохая обзорность (особенно правого зеркала)
- Дребезжание зеркал
Тем более, что зеркала Приоры подходят на ВАЗ 2110 без переделок и доработок.
Для установки Приоровских зеркал заднего вида на ВАЗ 2110 нужно:
- Проводка зеркал (если зеркала с подогревом или электрозеркала)
- Джойстик управления электрозеркалами
- Треугольники-заглушки (если вместо ручного управления установили зеркала с проводкой)
Зеркала заднего вида для Приоры различают:
- Зеркала заднего вида с механической регулировкой
- Зеркала заднего вида с подогревом
- Электрозеркала заднего вида
- Электрозеркала заднего вида с подогревом
- Со складыванием и без (Для уменьшения габарита автомобиля при парковке. Складывание зеркал Приоры ручное.)
Цена зеркал заднего вида на Приору различная, в зависимости от вида зеркал. (самый простой вариант зеркал обойдется Вам примерно в 2000-2500р, а Электрозеркала с подогревом будут стоить уже 3000-4000р.)
Купить зеркала заднего вида для Приоры можно в интернет магазинах.
Установка зеркал заднего вида от Приоры в ВАЗ 2110
Чтобы снять зеркала ВАЗ 2110 нужно плоской отверткой отстегнуть пластиковый треугольник и открутить три самореза.В случае с зеркалом заднего вида от Приоры с ручным регулированием аналогичным образом устанавливаем зеркало и закрепляем на три самореза.
Если же зеркало с проводкой, то проводку для зеркал заднего вида нужно проложить. Для этого откручиваем пластиковый порог, чтобы открыть доступ к отверстию с проводами, которые проходят по гофре в переднюю дверь.
Также потребуется снять обивки дверей, они на пистонах, которые следует купить заранее.
Подключить обогрев зеркал Приоры можно к обогреву заднего стекла, либо при желании вывести на отдельную кнопку через реле и предохранитель.
Если решили использовать отдельную кнопку, то плюс на реле лучше брать от зажигания, чтобы если забыл отключить обогрев зеркал аккумулятор за ночь не сел.
Подключение электрозеркал от Приоры следует по инструкции, которая должна идти в комплекте. В принципе, ничего сложного нет, сложнее наверное проложить пучок проводов в дверь через гофру (для этого можно использовать металлический штырь, который использовали для прокладки проводки из моторного щита в салона автомобиля).
Джойстик для управления электрозеркалами можно врезать в заглушку на тоннеле.
Если Вы заменили зеркала заднего вида с ручным управлением на зеркала с проводкой, тогда Вам нужно не забыть купить пластиковые треугольники зеркал без отверстия, либо перетянуть треугольники зеркал винилом/кожей.
Заглушки зеркал от Приоры в ВАЗ 2110 не подойдут (1-2см снизу не хватает).
Пример установленных Приоровских зеркал на ВАЗ 2110:
Тюнинг зеркал заднего вида от Приоры
Изменить внешний вид Приоровских зеркал можно по разному:- Установить накладки на зеркала
- Покрасить зеркала заднего вида
Накладки зеркал заднего вида бывают не только разного цвета, но и формы. Таким образом, можно придать зеркалам Приоры более аэродинамический стиль (говорят, зеркала Приоры свистят на скорости от 70км/ч), или сделать выбор в пользу стиля.
Покрасить зеркала заднего вида: Также можно покрасить зеркала Приоры в цвет кузова или наоборот выделить их своим цветом. Причем можно сочетать несколько цветов (например, светлый корпус зеркала с черной полосой).
Красить корпус зеркал нужно краской из баллончика в 2-3 слоя. После чего, покрыть лаком из баллончика, также в несколько слоев. Более подробно по технологии покраски из баллончика почитать и посмотреть видео можно тут.
Зеркала Приоры SE на ВАЗ 2110
В продаже есть обновленные боковые зеркала для Lada Priora Second Edition (SE). Установка их на «десятку» выполняется аналогичным образом, а схемы подключения можно найти тут.Заключение
Приоровские зеркала заднего вида считаются более качественные, чем зеркала десятки. Установка зеркал от Лада Приора на ВАЗ 2110 трудностей не вызывает, т.к. не требуется никаких переделок и доработок. Зеркала Приоры не скрипят, как у десятки и могут складываться. А если Вы купите зеркала с подогревом и электрорегулировкой, тогда пользоваться ими одно удовольствие.|
Какие боковые зеркала на Вашей «десятке»? |
Источник фото:
Ключевые слова:
xn--2111-43da1a8c.xn--p1ai
Жгут проводов для электрозеркал ВАЗ с электроприводом, обогревом, без повторителя поворота, универсальный
Уважаемые покупатели, во избежание ошибок при отправке универсального жгута электрозеркал заднего вида 12.3769УХ для ВАЗ 2101-2107, ВАЗ 1111, ВАЗ 2108-21099, ВАЗ-2110, ВАЗ 2113-2115, ВАЗ 1118, ВАЗ 2170, ВАЗ 2190, ВАЗ 2192, в строке «Комментарий» указывайте для какой клавиши или блока управления зеркал, модель вашего автомобиля, год выпуска.
Опции, как регулировка наружных зеркал, их подогрев, еще не всегда доступны в штатной комплектации автомобиля ВАЗ.

В широтах с континентальным и умеренно-континентальным климатом, такая функция, как подогрев зеркал заднего вида, просто необходима. Как известно, в таком климате часто бывают периоды с высокой влажностью, что приводит к запотеванию или замерзанию стекол и зеркал. Как обогрев примирителен для стекол, так и боковые зеркала с подогревом полностью решают эту проблему.
Кому хоть раз доводилось пользоваться электроприводом регулировки наружных зеркал автомобиля, наверняка отметит для себя, что это очень удобно. Ну и пусть, что регулируем мы зеркала не каждый день, зато регулировка занимает считанные секунды, и нет нужды тянуться к правому зеркалу через переднего пассажира.
Жгут проводов 2110-3709730УХ электрозеркал заднего вида универсальный, для подключения к блоку управления зеркалами 21150-3709730 (12.3769) / 2110-3709730 в автомобилях ВАЗ и их модификаций. Может быть использован для самостоятельного подключения электрозеркал заднего вида с электроприводом, обогревом, без повторителя в автомобиле.

В своей основе, подогрев боковых зеркал, состоит из электрического нагревателя (низкотемпературного), электропроводки, кнопки (панели) управления. Электрическая схема подогрева зеркал подключена к бортовой 12 вольтовой сети автомобиля. При замыкании кнопки включения, происходит подключение подогрева зеркал (нагревательного элемента), ток нагревает поверхность зеркала, оно нагревается, и образовавшийся лед начинает таять, так же зеркало перестает запотевать.

Блок управления зеркалами 21150-3709730 (12.3769) / 2110-3709730 расположен в салоне автомобиля и может находиться как на обивке двери подлокотника, так и на кожухе туннеля пола между передними сиденьями. Для снятия блока и клавиши выключателей, необходимо поддеть отверткой за облицовку.
Щелкните, чтобы открылось
Используя универсальный жгут 21150-3709730 (12.3769) идет управления электрозеркалами заднего вида при помощи моторедукторов, через блок управления зеркалами.

Монтаж, замена универсального жгута 2110-3709730УХ электрозеркал заднего вида, который подключается к зеркалам и блоку управления зеркалами 21150-3709730 (12.3769) / 2110-3709730 в автомобилях ВАЗ и их модификаций, может производиться самостоятельно, не обращаясь в специализированные сервисы обслуживания.
Другие артикулы товара и его аналогов в каталогах: 21150370973000УХ, 21100370973000УХ, 12.3769 УХ.
ВАЗ 2101-2107, ВАЗ 1111/Ока, ВАЗ 2108,ВАЗ 2109-099, ВАЗ 2110-2111,ВАЗ 2112, ВАЗ 2113-2115, ВАЗ 2121, ВАЗ 21213- 214, ВАЗ 2131, ВАЗ 2123/ШЕВРОЛЕ-НИВА, ГАЗ, УАЗ, 2.1 ГАЗель, Соболь, Баргузин, Волга.
Любая поломка – это не конец света, а вполне решаемая проблема !
Как самостоятельно провести монтаж жгута электрозеркал заднего вида в автомобиле семейства ВАЗ, Лада.
С интернет — Магазином Дискаунтер AvtoAzbuka затраты на ремонт будут минимальными.
Просто СРАВНИ и УБЕДИСЬ !!!
Не забудьте поделиться со своими друзьями и знакомыми найденной информацией, т. к. она им тоже может понадобится — просто нажмите одну из кнопок социальных сетей, расположенных ниже.
avtoazbuka.net
Обогрев заднего стекла Лада Приора
Система обогрева заднего стекла.
Порядок снятия и установки датчиков лада приора, электросхемы, действия по ремонту неисправностей в электрооборудовании лада приора своими руками. Диагностика схем электрооборудования ваз 2170. Инструкции по ремонту генератора, стартера 2171. Эксплуатация противоугонной системы, аккумулятора, световой сигнализации ваз 2172. Схема автомобиля.
Нагревательный элемент заднего стекла включается с помощью реле К2, установленного в монтажном блоке.
Для предотвращения разряда аккумуляторной батареи нагревательным элементом, оставленным включенным при неработающем двигателе, обогрев можно включить только при включенном зажигании. Для этого питание к выключателю 3 подается через дополнительное реле (реле зажигания) К4, срабатывающее при включении зажигания лада приора, и предохранитель F11. Питание к нагревательному элементу подается через предохранитель F2 в монтажном блоке, расположенном в салоне .
Если при включении обогрева стекло двери задка не обогревается, проверьте предохранитель F2 и F11 в монтажном блоке предохранитель F2 в основном блоке предохранителей, провода и их соединения, выключатель и реле К2.
Все предохранители, реле и цепь питания нагревательного элемента исправны, проверьте исправность токопроводящих полос.
Проверку проводят при работающем двигателе и включенном электрообогреве заднего стекла. Поочередно измерьте вольтметром напряжение на всех полосах, подсоединив один вывод вольтметра к «массе» кузова, а другой последовательно к токопроводящим полосам. Если напряжение, измеренное вольтметром в начале и конце полос, одинаково и примерно равно напряжению аккумуляторной батареи, проверьте надежность контакта «массового» провода нагревательного элемента с кузовом ваз 2171.
Напряжение на полосе должно уменьшаться по мере удаления места подсоединения вольтметра от шины положительной полярности элемента. Напряжение необходимо измерять по крайней мере в двух местах на одинаковом расстоянии от оси симметрии, чтобы исключить вероятность пропуска поврежденного участка. При обнаружении несоответствия показаний на одной из полос перемещайте контакт провода вольтметра вдоль этой полосы до тех пор, пока напряжение не станет равным нулю. Резкое снижение напряжения указывает на разрыв полосы в этом месте. Пометьте на наружной поверхности стекла мелком или стеклографом место разрыва для последующего ремонта поврежденного участка.
Для ремонта нагревательного элемента можно использовать один из имеющихся в продаже специальных наборов, в состав которых входит серебро. Несмотря на то что наборы изготовлены разными производителями, их состав примерно одинаков, все наборы снабжены инструкцией по применению. Ниже приведен типовой порядок работы с этими наборами.
- 1. Удалите участок полосы длиной 6 мм с каждой стороны поврежденного места.
- 2. Протрите поврежденное место чистой тканью, смоченной в спирте.
- 3. Наклейте на стекло в месте повреждения полосы ремонтную липкую ленту или два отрезка обычной липкой ленты сверху и снизу ремонтируемого участка, причем расстояние между отрезками липкой ленты должно соответствовать ширине токопроводящей полосы на стекле ваз 2172.
- 4. Тщательно перемешайте отвердитель с основным составом серебристого цвета. Если отвердитель загустел, поместите упаковку с ним в горячую воду и дождитесь, когда отвердитель станет жидким.
- 5. Нанесите деревянной лопаткой композицию на ремонтируемый участок и снимите липкую ленту.
- 6. Установите нагреватель на расстоянии 25 мм от поврежденного места и нагревайте композицию в течение 1–2 мин. Минимальная температура нагрева 149 °С.
- В некоторых наборах состав не надо нагревать: он полимеризуется при комнатной температуре.
- 7. Если после сушки полоса обесцветится, нанесите на нее щеткой тонирующий йодный состав — цвет полосы восстановится. После того как йодный состав подсохнет в течение 30 с, вытрите чистой тканью без ворса его излишки. Во время полимеризации ремонтной композиции, продолжающейся 24 ч, исключите всякое механическое воздействие на отремонтированный участок полосы.
- 8. Включите и проверьте работу нагревательного элемента заднего стекла лада приора.
Если провод оторвался от шины, припаяйте его припоем, содержащим 3% серебра и канифольную пасту в качестве флюса, в следующем порядке.
- 1. Очистите место пайки на шине и жилу провода.
- 2. Кисточкой нанесите на соединяемые места провода и шины немного канифольной пасты.
- 3. Нанесите тонкий слой припоя на жилу провода.
- 4. Припаяйте провод к шине, избегая перегрева соединяемых деталей.
vazclub.com
Схема проводки лада Приора Ваз 21723 — 28 Декабря 2012
Схема электрических соединений Лада Приора Ваз 21723
Схема электрических соединений жгута панели приборов Лада Приора Ваз 21723
1- колодка жгута проводов панели приборов к колодке жгута проводов заднего
2- колодка жгута проводов панели приборов к колодке жгута проводов заднего
3- колодка жгута проводов панели приборов к колодке жгута проводов заднего
4- колодка жгута проводов панели приборов к колодке жгута проводов заднего
5- колодка жгута проводов панели приборов к колодке жгута проводов системы зажигания
6- колодка жгута проводов панели приборов к колодке жгута проводов переднего
7- колодка жгута проводов панели приборов к колодке жгута проводов переднего
8- колодка жгута проводов панели приборов к колодке жгута проводов переднего
9- модуль управления светотехникой
10- выключатель зажигания
11- переключатель режимов бортового компьютера
12- переключатель стеклоочистителей
13- модуль надувных подушек безопасности пассажира
14- переключатель световой сигнализации
15- комбинация приборов
16- часы
17- колодка диагностики
18- выключатель рециркуляции
19- блок управления стеклоочистителем и внешним освещением
20- микромоторедуктор привода заслонки управления отопителем
21- выключатель обогрева заднего стекла
22- выключатель аварийной сигнализации
23- выключатель сигнала торможения
24- блок управления электроусилителем
25- колодка жгута проводов панели приборов к радиоаппарату
26- колодка жгута проводов панели приборов к радиоаппарату
27- монтажный блок
28- плафон освещения вещевого ящика
29- выключатель освещения вещевого ящика
30- выключатель автоматического управления освещением
31- контроллер электропакета
32- контроллер системы автоматического управления климатической установкой
33- устройство вращающееся
34- модуль надувной подушки безопасности водителя
35- выключатель звукового сигнала
К1 — реле включения ближнего света фар и габаритных огней(система автоматического управления освещением
К2 — реле включения обогрева заднего стекла
К3 — реле включения стартера
К4 — реле дополнительное
К6 — реле включения высокой скорости очистителя ветрового стекла(автоматический режим)
К7 — реле включения дальнего света фар
К8 — реле звукового сигнала
К9 — реле включения звукового сигнала тревожной сигнализации
К10 — реле включения противотуманных фар
К11 — реле включения электрообогрева передних сидений
К12 — реле включения очистителя ветрового стекла(прерывистый и автоматический режимы).
Схема электрических соединений жгута проводов дополнительного заднего левого(левой передней двери) Лада Приора Ваз 21723
.

1- колодка жгута проводов левой передней двери к колодке жгута проводов заднего
2- модуль двери водителя
3- колодка жгута проводов левой передней двери к громкоговорителю переднему левому
4- электродвигатель и электронагреватель зеркала наружного левого
Схема электрических соединений жгута проводов дополнительного заднего правого(правой передней двери) Лада Приора Ваз 21723 .

1- колодка жгута проводов правой передней двери к колодке жгута проводов заднего
2- колодка жгута проводов правой передней двери к колодке жгута проводов заднего 2
3- колодка жгута проводов правой передней двери к громкоговорителю переднему правому
4- электродвигатель и электронагреватель зеркала наружного правого
5- электродвигатель стеклоподъемника правой передней двери
6- переключатель стеклоподъемника правой передней двери
7- моторедуктор блокировки в замке правой передней двери
8- плафон освещения порога.
Схема электрических соединений жгута проводов отопителя Лада Приора Ваз 21723 .
1- колодка жгута проводов отопителя к колодке жгута проводов переднего
2- моторедуктор воздухосмешения
3- датчик температуры испарителя
4- электровентилятор
5- регулятор частоты вращения
6- моторедуктор рециркуляции.
Схема электрических соединений жгута проводов датчиков системы парковки Лада Приора Ваз 21723 .

1- датчик системы парковки
2- датчик системы парковки
3- датчик системы парковки
4- колодка жгута проводов датчиков системы парковки к колодке жгута проводов заднего.
Схема электрических соединений жгута проводов дополнительного заднего правого(задней двери) Лада Приора Ваз 21723 .

1- колодка жгута проводов задней двери к колодке жгута проводов заднего
2- моторедуктор блокировки в замке задней двери
3- электродвигатель стеклоподъемника задней двери
4- переключатель стеклоподъемника задней двери.
Схема электрических соединений жгута проводов заднего Лада Приора Ваз 21723.

1- колодка жгута проводов заднего к колодке жгута проводов панели приборов
2- колодка жгута проводов заднего к колодке жгута проводов дополнительного 2(левой задней двери)
3- колодка жгута проводов заднего к колодке жгута проводов боковых дверей(правой передней двери)
4- боковой указатель поворотов левый
5- контроллер электропакета
6- боковой указатель поворотов правый
7- блок освещения салона
8- выключатель контрольной лампы ручного тормоза
9- фонарь левый
10- фонарь правый
11- датчик температуры воздуха салона
12- выключатель плафона освещения салона в стойке двери водителя
13- выключатель плафона освещения салона в стойке правой передней двери
14- выключатель плафона освещения салона в стойке правой задней двери
15- выключатель плафона освещения салона в стойке левой задней двери
16- колодка жгута проводов заднего к колодке жгута проводов боковых дверей 2(левой передней двери)
17- колодка жгута проводов заднего к колодке жгута проводов дополнительного(правой задней двери)
18- колодки жгута проводов заднего к громкоговорителю заднему правому
19- колодки жгута проводов заднего к громкоговорителю заднему левому
20- прикуриватель
21- модуль электробензонасоса
22- колодка жгута проводов заднего к колодке жгута проводов панели приборов 2
23- колодка жгута проводов заднего к колодке жгута проводов панели приборов 3
24- фонарь освещения багажника
25- дополнительный сигнал торможения
26- выключатель привода замка багажника
27- плафон освещения салона
28- колодка жгута проводов заднего к колодке жгута проводов переднему
29- датчик скорости левый задний
30- датчик скорости правый задний
31- датчик системы автоматической очистки стекол(датчик дождя)
32- регулятор чувствительности датчика дождя
33- колодка жгута проводов заднего к колодке жгута проводов панели приборов 4
34- колодка жгута проводов заднего к колодке жгута проводов датчиков системы парковки
35- блок сигнализации системы безопасной парковки
36- преднатяжитель ремня безопасности водителя
37- преднатяжитель ремня безопасности пассажира
38- колодка жгута проводов заднего к колодке жгута проводов боковых дверей 3(правой передней двери)
39- блок управления надувных подушек безопасности
40- блок управления системы парковки
41- колодка жгута проводов заднего к колодке жгута проводов заднего дополнительного(двери задка)
42- колодка жгута проводов заднего к колодке жгута проводов заднего дополнительного 2(двери задка)
43- обогреватель левого сидения
44- выключатель электрообогревателя сидений
45- обогреватель правого сидения
46- колодка жгута проводов заднего к выключателю системы парковки.
Х1, Х3 — колодки контроллера электропакета.
Схема электрических соединений жгута проводов переднего Лада Приора Ваз 21723
1- фара правая
2- датчик скорости правый передний
3- выключатель лампы света заднего хода
4- электродвигатель омывателей
5- электродвигатель стеклоочистителя
6- выключатель подкапотной лампы
7- электровентилятор системы охлажденя двигателя(левый)
8- стартер
9- батарея аккумуляторная
10- блок предохранителей основной
11- генератор
12- гидроагрегат АБС
13- датчик температуры воздуха
14- датчик уровня тормозной жидкости
15- сигнал тревожной сигнализации
16- сигнал звуковой
17- датчик скорости левый передний
18- колодка жгута проводов переднего к колодке жгута проводов панели приборов
19- колодка жгута проводов переднего к колодке жгута проводов панели приборов
20- колодка жгута проводов переднего к колодке жгута проводов панели приборов
21- фара левая
22- противотуманная фара правая
23- противотуманная фара левая
24- датчик давления системы кондиционирования воздуха
25- компрессор кондиционера
26- электровентилятор климатической установки(правый)
27- датчик температуры воздуха(система кондиционирования)
28- электродвигатель омывателя заднего стекла
29- колодка жгута проводов переднего к колодке жгута проводов отопителя
30- реле электровентилятора правого
31- реле электровентилятора левого
32- реле дополнительное(последовательного включения электровентиляторов левого и правого)
33- реле электровентилятора отопителя
34- реле компрессора
35- предохранитель цепи питания компрессора(15 А)
36- предохранитель цепи питания электровентилятора отопителя (40 А)
37- колодка жгута проводов переднего к колодке жгута проводов заднего
38- предохранитель цепи питания электровентилятора правого (30 А)
39- предохранитель цепи питания электровентилятора левого (30 А).
Скачать схемы с хорошим качеством одним архивом
zazsila.ru
